В этой статье рассматриваются: схемы соединений электронных модулей (ЭМ) и тестовые режимы для стиральных машин (СМ) LG с прямым (DD) и классическим приводами барабана. Приведены коды неисправностей и причины их возникновения.
Содержание
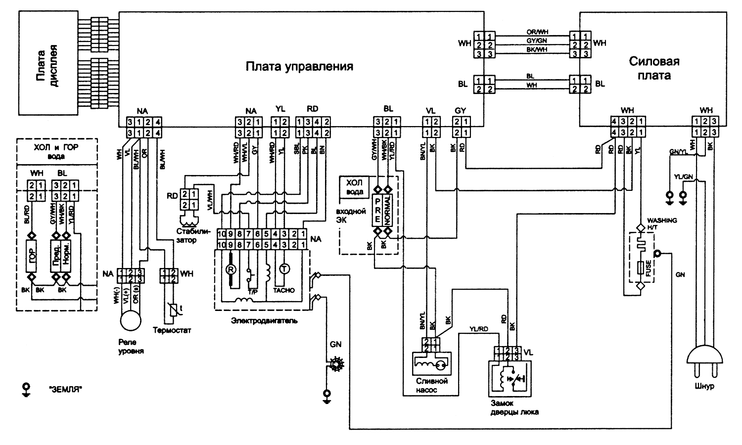
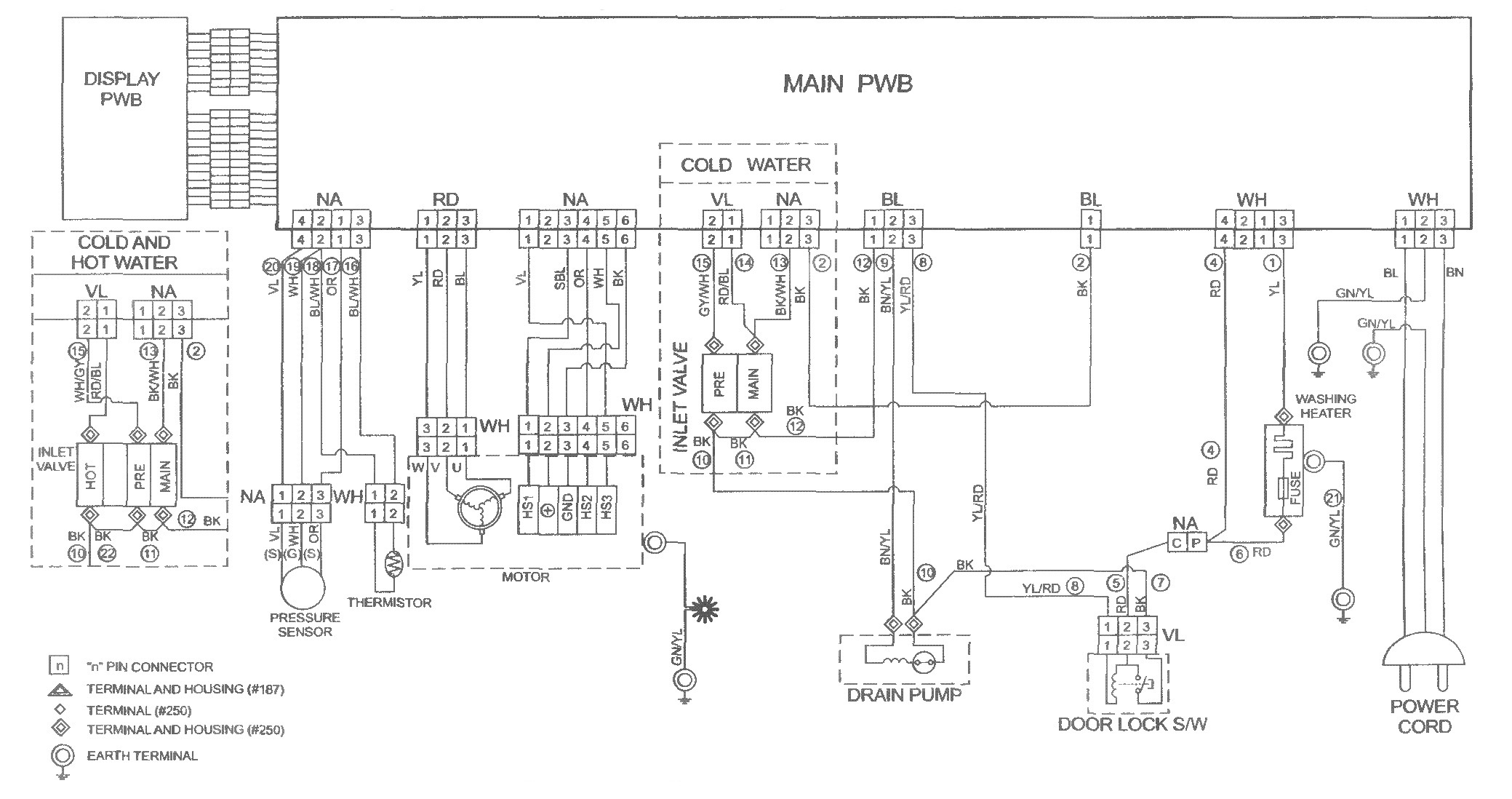
Схемы соединений электронных модулей
Общая блок схема СМ LG (DD привод) следующих моделей:
- WD(M)-8070F(H)B,
- WD(M)-1070(5)F(H)B,
- WD(M)-1170(5)F(H)B,
- WD(M)-1270(5)F(H)B,
- WD(M)-1370(5)F(H)B,
- WD(M)-8074F(H)B,
- WD(M)-1074(6)F(H)B,
- WD(M)-1174(6)F(H)B,
- WD(M)-1274(6)F(H)B,
- WD(M)-1374(6)F(H)B,
- WD-8078FHB,
- WD-1078FHB,
- WM-1171(6)FHB,
- WM-1371(6)FHB,
- WD-1271FB1.
Блок-схема CM LG (классический привод) для моделей: WD-8070F(H) и WD-1070(5)F(H).
Из рисунков видно, что в первом случае в составе СМ используется асинхронный приводной мотор с контролем оборотов на основе датчиков Холла, а во втором — коллекторный мотор с индуктивным тахогенератором. Кроме того, схемы СМ различаются количеством плат: в первом случае СМ имеет 2 модуля (плата управления и основной модуль), а во втором — 3 (управления, основной модуль и плата питания).
Тестовый режим
Для перевода в тестовый режим стиральной машины LG необходимо:
- Удерживая в нажатом состоянии две клавиши на передней панели (для каждой модели – различные, см. таблицу 1), включить машину при помощи клавиши «Вкл».
- Нажимая кнопку «Старт/Пауза», шаг за шагом выполнить пункты проверки.
Как узнать частоту уровня воды
- Нажмите две определенные кнопки (для каждой модели – различные, см. таблицу 1) одновременно.
- Цифры означают частоту уровня воды (х10⁻¹ кГц)
Пример: 241 - частота датчика уровня воды: 24,1 кГц;
| Модель | Тест | Уровень воды |
|
Классический привод
|
||
|
«Предв.» + «Без складок» | «Био» + «Режим таймера» |
|
«Темп.» + «Опции» (лев.) | «Отжим» + «Опции» |
|
«Темп.» + «Оппии» (прав.) | «Отжим» + «Темп.» |
|
«Отжим» + «Оппии» (прав.) | «Отжим» + «Темп.» |
|
«Темп.» + «Опции» (лев.) | «Отжим» + «Темп.» |
|
DD привод
|
||
|
«Рекоменд.» + «Отжим» | «Режим таймера» + «Температура» |
|
«Полоск.» + «Интенсивная» | «Режим таймера» + «Полоск.» |
|
«Темп.» + «Отжим» | «Интенсивная» + «Без складок» |
|
«Супер полоскание» + «Полоск.» | «Режим таймера» + «Супер полоскание» |
|
«Опции»(прав.) + «Отжим» | «Опции» (прав.) + «Режим таймера» |
| WD-1227+B/F D | «Полоскание» + «Отжим» | «Интенсивная» + «Без складок.» |
|
«Интенсивная» + «Задержка» | Уровень: «Задержка»Температура в баке: «Режим таймера» + «Задержка» Температура сушки: «Сушка» |
|
«Интенсивная» + «Предв.» | «Интенсивная» + «Отжим» |
|
«Полоск+» + «Интенсивная» | «Режим таймера» + «Полоск.+» |
|
«Супер полоскание» + «Полоск.» | «Режим таймера» + «Супер полоскание» |
|
«Темп.» + «Отжим» | «Интенсивная» + «Без складок» |
|
«Рекоменд.» + «Отжим» | «Режим таймера» + «Температура» |
|
DD + пар
|
||
| F1409Q/TDS(1~9) | «Полоск.» + «Пар» | «Темп.» + «Режим таймера» |
|
«Полоск.» + «Пар» | См. сноску¹ |
¹ WD-1037*S/N/TD, WD-1237*S/N/TD, F1406Q/TDS(1~9)
Как узнать частоту уровня воды
Нажмите кнопку «Полоск.» и «Супер полоскание.» одновременно.

Как узнать температуру каждого термистора
Нажмите кнопку «Полоск.» и «Темп.» одновременно.

| Количество нажатий кнопки "Старт/Пауза" | Этапы проверки СМА | Состояние дисплея |
|
Модели СМА «LG» с классическим приводом
|
||
| 0 | Все светодиоды горят | |
| 1 | Вращение по часовой стрелке | Двигатель, об/мин. (Приблизит. 45) |
| 2 | Вращение с низкой скоростью | Двигатель об/мин. (Приблизит. 63-67) |
| 3 | Высокоскоростное вращение | Двигатель об/мин. |
| 4 | Входной клапан для пред, стирки | Частота уровня воды (225-265) |
| 5 | Входной клапан для основной стирки/ гор. воды | Частота уровня воды (225-265) |
| 6 | Входной клапан для основной стирки | Частота уровня воды (225-265) |
| 7 | Вращение против часовой стрелки | Двигатель об/мин. (Приблизит. 45) |
| 8 | Нагреватель работает 3 сек. | Температура нагревателя |
| 9 | Работа сливного насоса | Частота уровня воды |
| 10 | Авто выключение | |
|
Модели СМА «LG» с прямым (DD) приводом
|
||
| 0 | Все светодиоды горят | |
| 1 | Вращение по часовой стрелке | Двигатель, об/мин. (Приблизит. 47) |
| 2 | Вращение с низкой скоростью | Двигатель об/мин. (Приблизит. 590-650) |
| 3 | Высокоскоростное вращение | Двигатель об/мин. |
| 4 | Входной клапан для пред, стирки | Частота уровня воды (225-265) |
| 5 | Входной клапан для основной стирки/ гор. воды | Частота уровня воды (225-265) |
| 6 | Входной клапан для основной стирки | Частота уровня воды |
| 7 | Вращение против часовой стрелки | Двигатель об/мин. (Приблизит. 47) |
| 8 | Нагреватель работает 3 сек. | Температура нагревателя |
| 9 | Работа сливного насоса | Частота уровня воды |
| 10 | Авто выключение | |
|
Модели СМА «LG» с прямым (DD) приводом и функцией пара
|
||
| 0 | Все светодиоды горят | |
| 1 | Вращение по часовой стрелке | Двигатель, об/мин. (Приблизит. 42-50) |
| 2 | Вращение с низкой скоростью | Двигатель об/мин. (55-65) |
| 3 | Высокоскоростное вращение | Двигатель об/мин. (125-155) |
| 4 | Входной клапан для пред, стирки | Частота уровня воды (25-65) |
| 5 | Входной клапан для основной стирки | Частота уровня воды (25-65) |
| 6 | Входной клапан для горячей воды | Частота уровня воды (25-65) |
| 7 | Входной клапан для пара | Частота уровня воды (25-65) |
| 8 | Входной клапан для отбеливателя | Частота уровня воды (25-65) |
| 9 | Вращение против часовой стрелки | Двигатель об/мин. (Приблизит. 42-50) |
| 10 | Нагреватель работает 3 сек. | Температура нагревателя |
| 11 | Работа рециркуляционного насоса | Частота уровня воды |
| 12 | Работа сливного насоса | Частота уровня воды |
| 13 | Датчик уровня воды для функции «Пар» | Частота уровня воды TSG(0-255) |
| 14 | Нагреватель парогенератора работает 1,2 сек | Температура парогенератора |
| 15 | Авто выключение | |
Идентификация ошибки
Если Вы нажмете кнопку «Старт/Пауза», в момент когда ошибка индицируется на дисплее, то любая ошибка кроме «PE» исчезнет и машина войдет в режим паузы.
В том случае, если ошибки «PE», «tE», «dE» не устранены в течение 20 секунд. (а другие – в течение 4 мин.), питание будет выключено автоматически, код – останется на индикаторе. При ошибке «FE» – питание не отключается.
|
Код
|
Индикация²
|
Неисправность
|
|
dE, d0E Door Open Error |
![]() |
Не закрыта дверца люка. Возможные причины возникновения ошибки:
|
| HE | Неисправность ТЭНа. | |
|
РЕ Pressure Sensor S/W Error |
![]() |
Неисправность датчика уровня воды. Неисправен интегральный датчик уровня воды. Ошибка отображается, если частота генерации датчика отличается от допустимых значений |
|
FE (OF,OFE) Overflow Error |
![]() |
Переполнение бака водой. Код ошибки отображается, если вода в баке достигла уровня перелива. В этот момент автоматически включается сливной насос. Возможные причины возникновения ошибки:
|
|
IЕ Water Inlet Error |
![]() |
Вода не поступает в бак (не достигнута частота 24,6 кГц в течение 8 мин. или не достигнут заданный уровень в течение 25 мин.) Возможные причины возникновения ошибки:
|
|
ОЕ Water Outlet Error |
![]() |
Вода не сливается из бака в течение 8 мин. Возможные причины возникновения ошибки:
|
|
UE Unbalanced Error |
![]() |
Дисбаланс загрузки в барабане. Возможные причины возникновения ошибки:
|
| dHE | Неисправность ТЭНа сушки. | |
|
СЕ Current Error |
![]() |
Ток электромотора выше номинала. Возможные причины возникновения ошибки:
|
|
LE Motor Locked Error |
![]() |
Неисправность подключения мотора или перегрузка
|
|
tE Thermistor (Heating) Error |
![]() |
Датчик температуры неисправен (обрыв, короткое замыкание) Сопротивление термистора (NTC) вышло за пределы допустимых предустановленных значений. Для моделей с прямым (DD) приводом сопротивление датчика NTC: 44~53 kOm при 25°C. |
| AE | Утечка воды. | |
|
PF Power Failure |
Сбой в подаче электроэнергии в сети (защита от перепадов напряжения) Возобновите цикл стирки, нажав кнопку «Старт/Пауза» |
|
| SЕ |
Неисправность датчика Холла В корпусе датчика имеются 3 встроенных элемента Холла (HS1-HS3) - см. рис. 1. Питание (+5 В) датчика поступает с электронного модуля. Возможные причины возникновения ошибки:
|
|
|
CL Child Lock |
Включена блокировка от детей. | |
| ² – F(E,M)**B9*D(1~9) | ||








